Phương hướng
Dùng cho cửa hướng mở trái tiêu chuẩn DIN và hướng mở phải tiêu chuẩn DIN
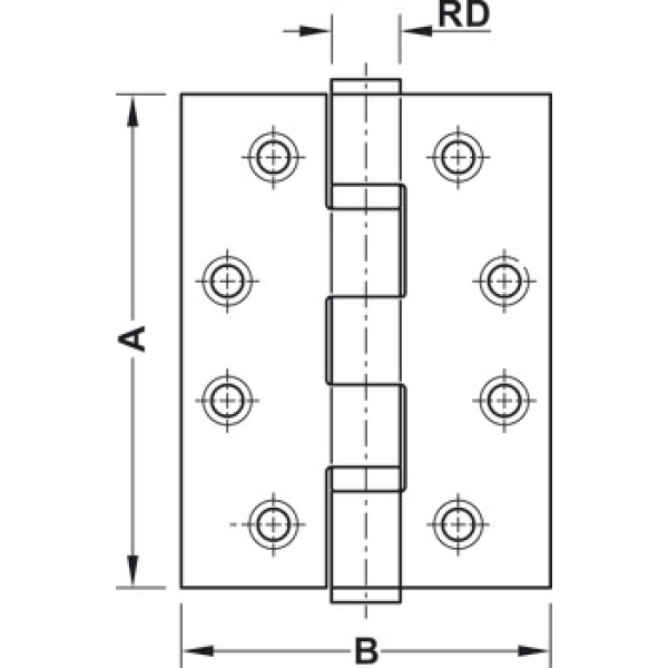
Hình dạng gờ vuông
Phạm vi ứng dụng
Cho khung gỗ, cho cửa trong nhà phẳng
Đối với loại khung Khung bằng gỗ
Trọng lượng cửa tối đa cho 2 bản lề 120.00 kg
Chiều dài trục xoay 102.00 mm
Loại ổ bin Với trục cố định, Trục xoay có hai ổ bi
Tiêu chuẩn Certified in compliance with EN 1935:2002




